


Cảm biến nhiệt độ LM35
Cảm biến nhiệt độ LM35 là loại cảm biến Analog, đo nhiệt độ và đưa ra chân Vout một giá trị điện áp tương ứng với giá trị nhiệt độ đo được.

Cảm Biến Nhiệt Độ LM35
Đơn vị nhiệt độ:°C
Nhiệt độ thay đổi tuyến tính: 10mV/°C
Độ chính xác ±0.5°C tại 25°C
Giới hạn đo từ -55°C đến 150°C
Nguồn hoạt động từ 3-5.5V
LM35 có hiệu năng cao, công suất tiêu thụ 60uA
Kiểu đóng gói chân TO-92


Sơ đồ chân của LM35
Điện áp đầu ra tại chân Vout được tính như sau:
Vout [Vols] = [Nhiệt độ] * 10 [mV/°C] = [Nhiệt độ] / 100
Để đọc được giá trị trên chân Vout, người ta sử dụng bộ chuyển đổi ADC (Analog to Digital Converter) chuyển giá trị tương tự sang số. Tức là đọc giá trị điện áp trên chân Vout và chuyển đổi sang giá trị số là nhiệt độ đo được.
Hướng dẫn sử dụng cảm biến LM35 với ADC0804 và Vi điều khiển 8051:
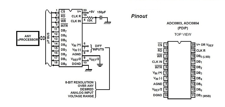
ADC0804 là một IC có thể chuyển đổi điện áp đầu vào tương tự với đầu ra kỹ thuật số. ADC0804 có đầu ra là 8-bit với sơ đồ chân như hình dưới đây:

ADC0804 pinout
Dưới đây là một đoạn code đơn giản viết bằng ngôn ngữ C để ADC0804 hoạt động:
// chọn chip, kích hoạt IC
CS = 0; 
// Tạo xung bắt đầu chuyển đổi analog sang tín hiệu số
WR = 0;     
delay (10);
WR = 1;
// xung cho phép dữ liệu từ thanh ghi ra các chân khi RD=0
RD = 1;
while (INTR == 1); // Đến khi INTR == 0 tức là đã chuyển đổi xong.
RD = 0; // cho phép đưa dữ liệu ra các chân DB0-DB7
Giá sản phẩm trên Tiki đã bao gồm thuế theo luật hiện hành. Bên cạnh đó, tuỳ vào loại sản phẩm, hình thức và địa chỉ giao hàng mà có thể phát sinh thêm chi phí khác như phí vận chuyển, phụ phí hàng cồng kềnh, thuế nhập khẩu (đối với đơn hàng giao từ nước ngoài có giá trị trên 1 triệu đồng).....
| Thương hiệu | OEM | 
|---|---|
| Xuất xứ thương hiệu | Trung Quốc | 
| Xuất xứ | Trung Quốc | 
| SKU | 3510814749899 | 
biến áp đổi nguồn 220v sang 110v cảm biến đàu dò nhiệt độ công tắc hành trình arduino sim ghép motor giảm tốc arduno uno r3 nhiệt ẩm kế cam bien nhiet do xiaomi combo 4 món mạch nhiệt độ làm máy ấp trứng máy cam biến encoder phao quạt hơi nước công tắc cảm biến ánh sáng dn2207 - quý luân cảm biến đầu dò cảm biến ánh sáng tắt mở đèn cảm biến nhiệt độ máy ấp trứng cs1-s đầu dò cảm biến nhiệt độ loadcell cảm biến khoảng cách thiết bị cảm biến nhiệt mạch kiểm soát nhiệt độ dây đo nhiệt độ ntc 10k zigbee cảm biến nhiệt độ 150mm micro điện dung cảm biến nhiệt độ ds18b20 rơ le cảm biến nhiệt độ mạch ấp trứng gà